ENERGIETERUGWINNINGSVENTILATOR UTZ-BD080C
Functies
- Energie-efficiëntie en ecologie
- Stille werking
- Groter bereik van externe statische druk
- Slank ontwerp voor eenvoudige installatie
- Systeem voor directe luchttoevoer en -afvoer, geschikt voor omgekeerde montage
Specificaties
| Nominale luchtstroomsnelheid | 800 m³ /h | ||
|---|---|---|---|
| Voedingsbron | 220 - 240 V | ||
| 50 Hz | |||
| Ventilatie warmtewisselaar | Ingangsvermogen | (Extra hoog) | 418 W |
| Hoog | 378 W | ||
| Laag | 295 W | ||
| Luchtstroomsnelheid | (Extra hoog) | 800 m³ /h | |
| Hoog | 800 m³ /h | ||
| Laag | 630 m³ /h | ||
| Externe statische druk | (Extra hoog) | 140 Pa | |
| Hoog | 110 Pa | ||
| Laag | 55 Pa | ||
| Efficiëntie van temperatuuruitwisseling | (Extra hoog) | 75 % | |
| Hoog | 75 % | ||
| Laag | 76 % | ||
| Efficiëntie van energie-uitwisseling Koeling | (Extra hoog) | 65 % | |
| Hoog | 65 % | ||
| Laag | 68 % | ||
| Efficiëntie van energie-uitwisseling Warmtepomp | (Extra hoog) | 71 % | |
| Hoog | 71 % | ||
| Laag | 74 % | ||
| Geluidsdrukniveau*2 | (Extra hoog) | 37.5 dB* | |
| Hoog | 37 dB* | ||
| Laag | 34.5 dB* | ||
| Normale ventilatie | Ingangsvermogen | (Extra hoog) | 418 W |
| Hoog | 378 W | ||
| Laag | 295 W | ||
| Luchtstroomsnelheid | (Extra hoog) | 800 m³ /h | |
| Hoog | 800 m³ /h | ||
| Laag | 630 m³ /h | ||
| Externe statische druk | (Extra hoog) | 140 Pa | |
| Hoog | 110 Pa | ||
| Laag | 55 Pa | ||
| Geluidsdrukniveau*2 | (Extra hoog) | 37.5 dB* | |
| Hoog | 37 dB* | ||
| Laag | 34.5 dB* | ||
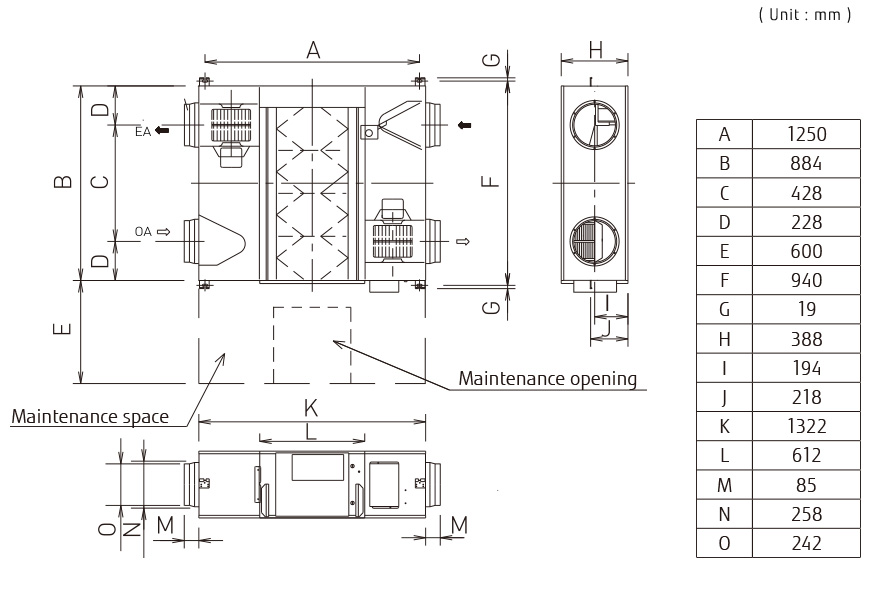
| Netto-afmetingen | Hoogte | 1322 mm | |
| Breedte | 884 mm | ||
| Diepte | 388 mm | ||
| Nettogewicht | 71 kg | ||
| Diameter uitlaatkanaal | 250 mm | ||
| Bedrijfsbereik | -10 naar 40 °C | ||
| Max. luchtvochtigheid | 85 % | ||
Scroll
- *
- Het geluidsniveau moet worden gemeten op 1,5 m onder het midden van de eenheid.
Afmetingen
ENERGIETERUGWINNINGSVENTILATOR : UTZ-BD080C

België | Nederlands