Construcción del sistema refrigerante
Esta página explica el sistema refrigerante y el sistema de control que componen el sistema de aire acondicionado.

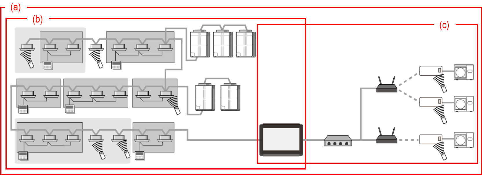
| (a) | Sistema de aire acondicionado |
Se trata de un sistema compuesto por unidades conectadas con el mismo cable de transmisión. Contiene unidades interiores, unidades exteriores y unidades de control pertinentes (el AIRSTAGE Cloud Edge Supervisor y controladores remotos estándar). |
|
| (b) | Sistema de flujo de refrigerante variable (VRF) |
Se trata de un gran sistema de aire acondicionado con varias divisiones. |
|
| (c) | Sistema dividido |
| Se trata de un sistema de aire acondicionado dividido simple o dividido múltiple. Una unidad exterior está conectada a una o más unidades interiores. En el sistema dividido, es necesario el adaptador WLAN opcional para cada unidad interior. |
Instalación del sistema VRF

| (a) | Sistema de flujo de refrigerante variable (VRF) |
| Se trata de un gran sistema de aire acondicionado con varias divisiones. Una o más unidades exteriores están conectadas a varias unidades interiores. |
|
| (b) | AIRSTAGE Cloud Edge Supervisor (este producto) |
|
Es un controlador remoto que permite el control centralizado de múltiples dispositivos. Puede controlar los dispositivos del sistema de aire acondicionado todos juntos, por zona o individualmente. |
|
| (c) | Sistema refrigerante |
| Se trata de un sistema compuesto de unidades en un circuito refrigerante. Contiene unidades interiores, unidades exteriores y unidades de control pertinentes (el AIRSTAGE Cloud Edge Supervisor y controladores remotos estándar). | |
| (d) | Zona |
|
Se trata de una agregación de unidades interiores y dispositivos relevantes. |
|
| (e) | Grupo de controladores remotos |
| Es un grupo de unidades interiores controladas por el mismo controlador remoto estándar. | |
| (f) | Controlador remoto estándar |
| Es un controlador remoto que controla las unidades interiores. Hay 4 tipos de controladores remotos estándar: controlador remoto por cable, controlador remoto inalámbrico, controlador remoto simple y controlador de cambio externo. | |
| (g) | Unidad exterior |
| (h) | Cable de transmisión |
| Es un cable que conecta unidades exteriores, unidades interiores y AIRSTAGE Cloud Edge Supervisor. Transmite electricidad y señales. | |
| (i) | Unidad interior |
| (j) | Cable del controlador remoto |
| Es un cable que conecta controladores remotos por cable y unidades interiores. Transmite señales desde los controladores remotos y respuestas desde las unidades interiores. |
Instalación del sistema dividido

| (a) | Sistema dividido |
| Se trata de un sistema de aire acondicionado dividido simple o dividido múltiple. Una unidad exterior está conectada a una o más unidades interiores. | |
| (b) | Subred |
| Tanto el AIRSTAGE Cloud Edge Supervisor, concentradores, puntos de acceso y adaptadores WLAN deben estar en la misma subred. | |
| (c) | AIRSTAGE Cloud Edge Supervisor (este producto) |
|
Es un controlador remoto que permite el control centralizado de múltiples dispositivos. Puede controlar los dispositivos del sistema de aire acondicionado todos juntos, por zona o individualmente. |
|
| (d) | Cable LAN |
| (e) | Concentrador |
| (f) | Punto de acceso |
| Si el punto de acceso tiene la función de servidor DHCP, desactive la función. El AIRSTAGE Cloud Edge Supervisor funciona como un servidor DHCP y controla la información de red de los adaptadores WLAN. | |
| (g) | Zona |
|
Se trata de una agregación de unidades interiores y dispositivos relevantes. |
|
| (h) | Controlador remoto estándar |
| Es un controlador remoto que controla las unidades interiores. Hay 4 tipos de controladores remotos estándar: controlador remoto por cable, controlador remoto inalámbrico, controlador remoto simple y controlador de cambio externo. | |
| (i) | Unidad interior |
| (j) | Unidad exterior |