Wärmerückgewinnungslüftungsgerät UTZ-BD080C
Eigenschaften
- Energieeffizienz und Ökologie
- Funktionen des Wärmetauschers
- Leiser Betrieb
- Erweiterter externer statischer Druckbereich
- Schlanke Bauweise und einfache Installation
- Umgekehrt montierbar für direkten Anschluss an Luftzufuhr-/Abluftsystem
Spezifikationen
| Rated Airflow Rate | 800 m³ /h | ||
|---|---|---|---|
| Stromquelle | 220 - 240 V | ||
| 50 Hz | |||
| Lüftung mit Wärmeaustausch | Eingangsleistung | (Extra hoch) | 418 W |
| Hoch | 378 W | ||
| Niedrig | 295 W | ||
| Luftdurchsatz | (Extra hoch) | 800 m³ /h | |
| Hoch | 800 m³ /h | ||
| Niedrig | 630 m³ /h | ||
| Externer statischer Druck | (Extra hoch) | 140 Pa | |
| Hoch | 110 Pa | ||
| Niedrig | 55 Pa | ||
| Effizienz des Wärmetauschers | (Extra hoch) | 75 % | |
| Hoch | 75 % | ||
| Niedrig | 76 % | ||
| Wärmeaustauscheffizienz Kühlen | (Extra hoch) | 65 % | |
| Hoch | 65 % | ||
| Niedrig | 68 % | ||
| Wärmeaustauscheffizienz Heat Pump | (Extra hoch) | 71 % | |
| Hoch | 71 % | ||
| Niedrig | 74 % | ||
| Schalldruckpegel*2 | (Extra hoch) | 37.5 dB* | |
| Hoch | 37 dB* | ||
| Niedrig | 34.5 dB* | ||
| Normale Lüftung | Eingangsleistung | (Extra hoch) | 418 W |
| Hoch | 378 W | ||
| Niedrig | 295 W | ||
| Luftdurchsatz | (Extra hoch) | 800 m³ /h | |
| Hoch | 800 m³ /h | ||
| Niedrig | 630 m³ /h | ||
| Externer statischer Druck | (Extra hoch) | 140 Pa | |
| Hoch | 110 Pa | ||
| Niedrig | 55 Pa | ||
| Schalldruckpegel*2 | (Extra hoch) | 37.5 dB* | |
| Hoch | 37 dB* | ||
| Niedrig | 34.5 dB* | ||
| Netto Abmessungen | Höhe | 1322 mm | |
| Breite | 884 mm | ||
| Tiefe | 388 mm | ||
| Nettogewicht | 71 kg | ||
| Outlet Duct Diameter | 250 mm | ||
| Betriebsbereich | -10 bis 40 °C | ||
| Max. Humidity | 85 % | ||
Scroll
- *
- Der Geräuschpegel muss in einer Distanz von 1,5 Metern unterhalb der Mitte des Geräts gemessen werden.
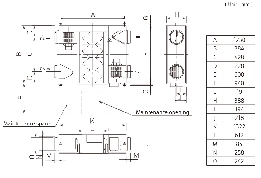
Abmessungen
Lüftungsgerät mit Wärmerückgewinnung : UTZ-BD080C

Austria | Deutsch