Ventilador recuperador de energía UTZ-BD025C
Características
- Eficiencia energética y ecología
- Funcionamiento silencioso
- Rango ampliado de presión estática externa
- Diseño compacto para una instalación más sencilla
- Sistema de escape y suministro de aire directo de montaje inverso
Especificaciones
| Caudal de aire nominal | 250 m³ /h | ||
|---|---|---|---|
| Fuente de alimentación | 220 - 240 V | ||
| 50 Hz | |||
| Ventilación de intercambio de calor | Alimentación de entrada | (Extra alto) | 128 W |
| Alto | 123 W | ||
| Bajo | 96 W | ||
| Velocidad de flujo de aire | (Extra alto) | 250 m³ /h | |
| Alto | 250 m³ /h | ||
| Bajo | 190 m³ /h | ||
| Presión estática externa | (Extra alto) | 105 Pa | |
| Alto | 95 Pa | ||
| Bajo | 45 Pa | ||
| Eficiencia de intercambio de temperatura | (Extra alto) | 75 % | |
| Alto | 75 % | ||
| Bajo | 77 % | ||
| Eficiencia de intercambio de energía Refrigeración | (Extra alto) | 63 % | |
| Alto | 63 % | ||
| Bajo | 65 % | ||
| Eficiencia de intercambio de energía Bomba de calor | (Extra alto) | 70 % | |
| Alto | 70 % | ||
| Bajo | 72 % | ||
| Nivel de presión acústica*2 | (Extra alto) | 31.5 dB* | |
| Alto | 30.5 dB* | ||
| Bajo | 26.5 dB* | ||
| Ventilación normal | Alimentación de entrada | (Extra alto) | 128 W |
| Alto | 123 W | ||
| Bajo | 96 W | ||
| Velocidad de flujo de aire | (Extra alto) | 250 m³ /h | |
| Alto | 250 m³ /h | ||
| Bajo | 190 m³ /h | ||
| Presión estática externa | (Extra alto) | 105 Pa | |
| Alto | 95 Pa | ||
| Bajo | 45 Pa | ||
| Nivel de presión acústica*2 | (Extra alto) | 31.5 dB* | |
| Alto | 30.5 dB* | ||
| Bajo | 26.5 dB* | ||
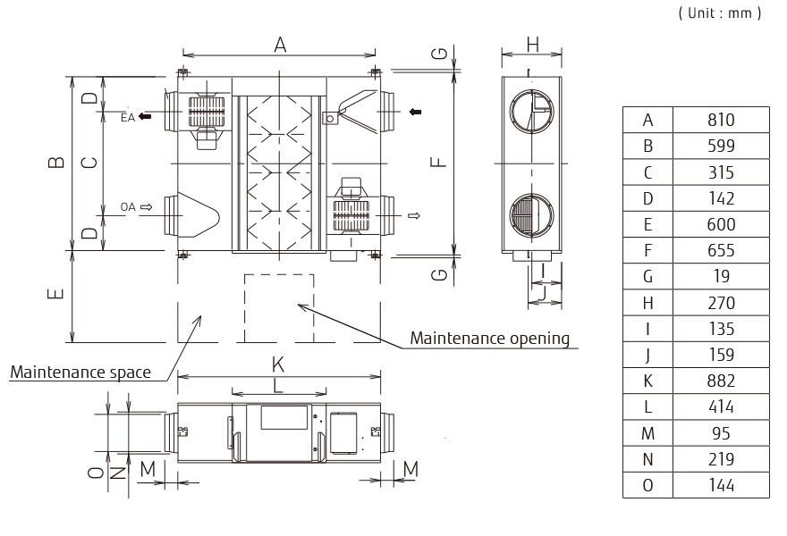
| Dimensiones netas | Altura | 882 mm | |
| Anchura | 599 mm | ||
| Profundidad | 270 mm | ||
| Peso neto | 29 kg | ||
| Diámetro del conducto de salida | 150 mm | ||
| Rango de funcionamiento | -10 a 40 °C | ||
| Humedad máxima | 85 % | ||
Desplazarse
- *
- Nivel de ruido medido a 1,5 m por debajo del centro de la unidad
- *2.
- El valor del ruido es el valor que se mide en una cámara anecoica. Cuando se mide en el estado de instalación real, se reciben ruidos y reflexiones del entorno, lo que hace que el valor medido suela ser mayor que el valor indicado.
Dimensiones
Ventilador recuperador de energía : UTZ-BD025C
