Ventilador recuperador de energía UTZ-BD100C
Características
- Eficiencia energética y ecología
- Funcionamiento silencioso
- Rango ampliado de presión estática externa
- Diseño compacto para una instalación más sencilla
- Sistema de escape y suministro de aire directo de montaje inverso
Especificaciones
| Caudal de aire nominal | 1000 m³ /h | ||
|---|---|---|---|
| Fuente de alimentación | 220 - 240 V | ||
| 50 Hz | |||
| Ventilación de intercambio de calor | Alimentación de entrada | (Extra alto) | 464 W |
| Alto | 432 W | ||
| Bajo | 311 W | ||
| Velocidad de flujo de aire | (Extra alto) | 1000 m³ /h | |
| Alto | 1000 m³ /h | ||
| Bajo | 700 m³ /h | ||
| Presión estática externa | (Extra alto) | 105 Pa | |
| Alto | 80 Pa | ||
| Bajo | 75 Pa | ||
| Eficiencia de intercambio de temperatura | (Extra alto) | 75 % | |
| Alto | 75 % | ||
| Bajo | 79 % | ||
| Eficiencia de intercambio de energía Refrigeración | (Extra alto) | 65 % | |
| Alto | 65 % | ||
| Bajo | 70 % | ||
| Eficiencia de intercambio de energía Bomba de calor | (Extra alto) | 71 % | |
| Alto | 71 % | ||
| Bajo | 76 % | ||
| Nivel de presión acústica*2 | (Extra alto) | 38.5 dB* | |
| Alto | 37.5 dB* | ||
| Bajo | 34.5 dB* | ||
| Ventilación normal | Alimentación de entrada | (Extra alto) | 464 W |
| Alto | 432 W | ||
| Bajo | 311 W | ||
| Velocidad de flujo de aire | (Extra alto) | 1000 m³ /h | |
| Alto | 1000 m³ /h | ||
| Bajo | 700 m³ /h | ||
| Presión estática externa | (Extra alto) | 105 Pa | |
| Alto | 80 Pa | ||
| Bajo | 75 Pa | ||
| Nivel de presión acústica*2 | (Extra alto) | 40.5 dB* | |
| Alto | 39.5 dB* | ||
| Bajo | 36.5 dB* | ||
| Dimensiones netas | Altura | 1322 mm | |
| Anchura | 1134 mm | ||
| Profundidad | 388 mm | ||
| Peso neto | 83 kg | ||
| Diámetro del conducto de salida | 250 mm | ||
| Rango de funcionamiento | -10 a 40 °C | ||
| Humedad máxima | 85 % | ||
Desplazarse
- *
- El nivel de ruido debe medirse a 1,5 m por debajo del centro de la unidad.
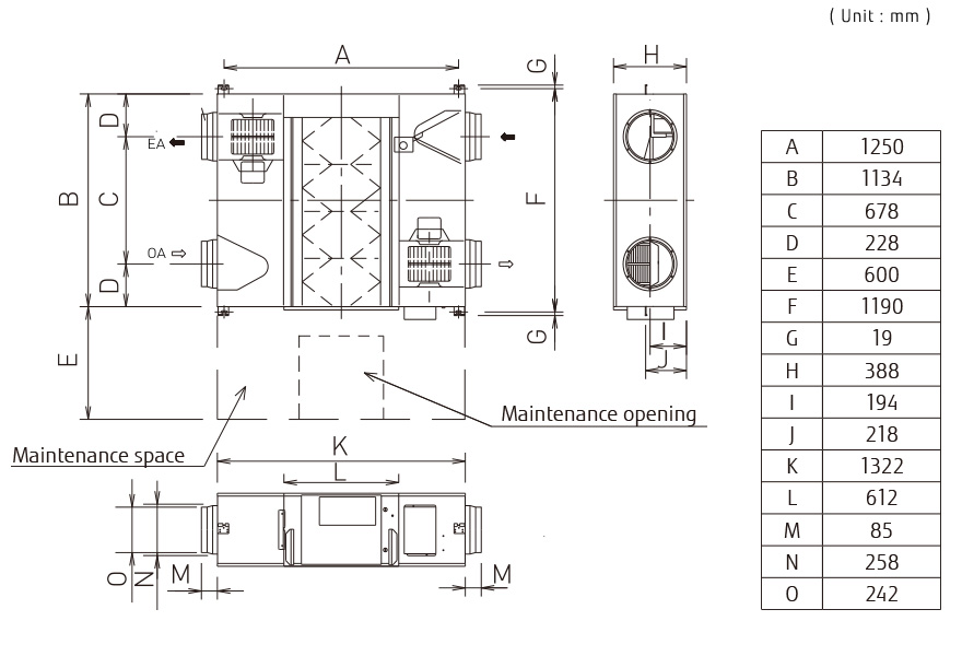
Dimensiones
Ventilador recuperador de energía : UTZ-BD100C
