Energiaa talteen ottava tuuletin UTZ-BD025C
Ominaisuudet
- Energiatehokkuutta ja ekologisuutta
- Hiljainen toiminta
- Laajennettu ulkoisen staattisen paineen alue
- Ohut muotoilu helpottaa asennusta
- Käänteisesti asennettava ilmansyöttö- ja poistojärjestelmä
Tekniset tiedot
| Nimellinen ilmanvirtausnopeus | 250 m³ /h | ||
|---|---|---|---|
| Virtalähde | 220 - 240 V | ||
| 50 Hz | |||
| Lämmönvaihtotuuletus | Ottoteho | (Erittäin korkea) | 128 W |
| Korkea | 123 W | ||
| Matala | 96 W | ||
| Ilmanvirtausnopeus | (Erittäin korkea) | 250 m³ /h | |
| Korkea | 250 m³ /h | ||
| Matala | 190 m³ /h | ||
| Ulkoinen staattinen paine | (Erittäin korkea) | 105 Pa | |
| Korkea | 95 Pa | ||
| Matala | 45 Pa | ||
| Lämpötilan vaihtotehokkuus | (Erittäin korkea) | 75 % | |
| Korkea | 75 % | ||
| Matala | 77 % | ||
| Energian vaihtotehokkuus Viilennys | (Erittäin korkea) | 63 % | |
| Korkea | 63 % | ||
| Matala | 65 % | ||
| Energian vaihtotehokkuus Lämpöpumppu | (Erittäin korkea) | 70 % | |
| Korkea | 70 % | ||
| Matala | 72 % | ||
| Äänenpainetaso*2 | (Erittäin korkea) | 31.5 dB* | |
| Korkea | 30.5 dB* | ||
| Matala | 26.5 dB* | ||
| Normaali ilmanvaihto | Ottoteho | (Erittäin korkea) | 128 W |
| Korkea | 123 W | ||
| Matala | 96 W | ||
| Ilmanvirtausnopeus | (Erittäin korkea) | 250 m³ /h | |
| Korkea | 250 m³ /h | ||
| Matala | 190 m³ /h | ||
| Ulkoinen staattinen paine | (Erittäin korkea) | 105 Pa | |
| Korkea | 95 Pa | ||
| Matala | 45 Pa | ||
| Äänenpainetaso*2 | (Erittäin korkea) | 31.5 dB* | |
| Korkea | 30.5 dB* | ||
| Matala | 26.5 dB* | ||
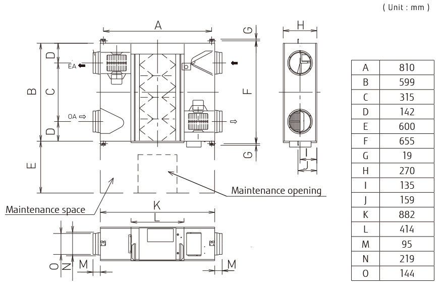
| Nettomitat | Korkeus | 882 mm | |
| Leveys | 599 mm | ||
| Syvyys | 270 mm | ||
| Nettopaino | 29 kg | ||
| Lähtökanavan halkaisija | 150 mm | ||
| Toiminta-alue | -10 kohteeseen 40 °C | ||
| Enimmäiskosteus | 85 % | ||
Scroll
- *
- Äänitaso mitattu 1,5 m yksikön keskikohdan alapuolelta
- *2.
- Ääniarvo tarkoittaa arvoa, joka on mitattu kaiuttomassa huoneessa. Todellisessa tilassa mitattaessa ympäristön äänet ja kaiut vaikuttavat mittaukseen, ja arvo on tavallisesti suurempi kuin osoitettu arvo.
Mitat
Energiaa talteen ottava tuuletin : UTZ-BD025C
