Energiaa talteen ottava tuuletin UTZ-BD050C
Ominaisuudet
- Energiatehokkuutta ja ekologisuutta
- Hiljainen toiminta
- Laajennettu ulkoisen staattisen paineen alue
- Ohut muotoilu helpottaa asennusta
- Käänteisesti asennettava ilmansyöttö- ja poistojärjestelmä
Tekniset tiedot
| Nimellinen ilmanvirtausnopeus | 500 m³ /h | ||
|---|---|---|---|
| Virtalähde | 220 - 240 V | ||
| 50 Hz | |||
| Lämmönvaihtotuuletus | Ottoteho | (Erittäin korkea) | 289 W |
| Korkea | 225 W | ||
| Matala | 185 W | ||
| Ilmanvirtausnopeus | (Erittäin korkea) | 500 m³ /h | |
| Korkea | 500 m³ /h | ||
| Matala | 440 m³ /h | ||
| Ulkoinen staattinen paine | (Erittäin korkea) | 120 Pa | |
| Korkea | 60 Pa | ||
| Matala | 35 Pa | ||
| Lämpötilan vaihtotehokkuus | (Erittäin korkea) | 75 % | |
| Korkea | 75 % | ||
| Matala | 76 % | ||
| Energian vaihtotehokkuus Viilennys | (Erittäin korkea) | 62 % | |
| Korkea | 62 % | ||
| Matala | 64 % | ||
| Energian vaihtotehokkuus Lämpöpumppu | (Erittäin korkea) | 67 % | |
| Korkea | 67 % | ||
| Matala | 69 % | ||
| Äänenpainetaso*2 | (Erittäin korkea) | 37.5 dB* | |
| Korkea | 35.5 dB* | ||
| Matala | 32.5 dB* | ||
| Normaali ilmanvaihto | Ottoteho | (Erittäin korkea) | 289 W |
| Korkea | 225 W | ||
| Matala | 185 W | ||
| Ilmanvirtausnopeus | (Erittäin korkea) | 500 m³ /h | |
| Korkea | 500 m³ /h | ||
| Matala | 440 m³ /h | ||
| Ulkoinen staattinen paine | (Erittäin korkea) | 120 Pa | |
| Korkea | 60 Pa | ||
| Matala | 35 Pa | ||
| Äänenpainetaso*2 | (Erittäin korkea) | 38.5 dB* | |
| Korkea | 38 dB* | ||
| Matala | 32.5 dB* | ||
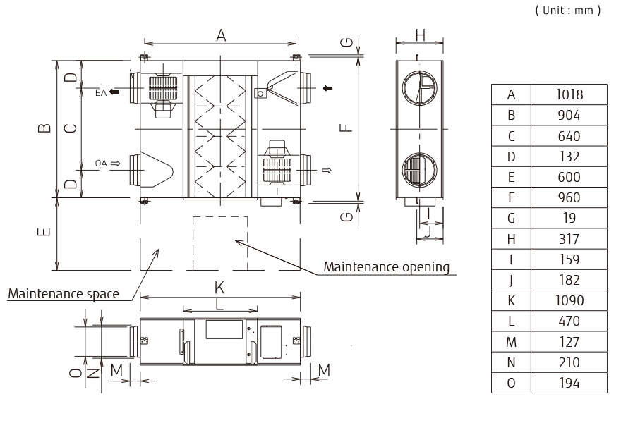
| Nettomitat | Korkeus | 1090 mm | |
| Leveys | 904 mm | ||
| Syvyys | 317 mm | ||
| Nettopaino | 57 kg | ||
| Lähtökanavan halkaisija | 200 mm | ||
| Toiminta-alue | -10 kohteeseen 40 °C | ||
| Enimmäiskosteus | 85 % | ||
Scroll
- *
- Äänitaso on mitattava 1,5 m yksikön keskikohdan alapuolelta.
Mitat
Energiaa talteen ottava tuuletin : UTZ-BD050C
