Energiaa talteen ottava tuuletin UTZ-BD100C
Ominaisuudet
- Energiatehokkuutta ja ekologisuutta
- Hiljainen toiminta
- Laajennettu ulkoisen staattisen paineen alue
- Ohut muotoilu helpottaa asennusta
- Käänteisesti asennettava ilmansyöttö- ja poistojärjestelmä
Tekniset tiedot
| Nimellinen ilmanvirtausnopeus | 1000 m³ /h | ||
|---|---|---|---|
| Virtalähde | 220 - 240 V | ||
| 50 Hz | |||
| Lämmönvaihtotuuletus | Ottoteho | (Erittäin korkea) | 464 W |
| Korkea | 432 W | ||
| Matala | 311 W | ||
| Ilmanvirtausnopeus | (Erittäin korkea) | 1000 m³ /h | |
| Korkea | 1000 m³ /h | ||
| Matala | 700 m³ /h | ||
| Ulkoinen staattinen paine | (Erittäin korkea) | 105 Pa | |
| Korkea | 80 Pa | ||
| Matala | 75 Pa | ||
| Lämpötilan vaihtotehokkuus | (Erittäin korkea) | 75 % | |
| Korkea | 75 % | ||
| Matala | 79 % | ||
| Energian vaihtotehokkuus Viilennys | (Erittäin korkea) | 65 % | |
| Korkea | 65 % | ||
| Matala | 70 % | ||
| Energian vaihtotehokkuus Lämpöpumppu | (Erittäin korkea) | 71 % | |
| Korkea | 71 % | ||
| Matala | 76 % | ||
| Äänenpainetaso*2 | (Erittäin korkea) | 38.5 dB* | |
| Korkea | 37.5 dB* | ||
| Matala | 34.5 dB* | ||
| Normaali ilmanvaihto | Ottoteho | (Erittäin korkea) | 464 W |
| Korkea | 432 W | ||
| Matala | 311 W | ||
| Ilmanvirtausnopeus | (Erittäin korkea) | 1000 m³ /h | |
| Korkea | 1000 m³ /h | ||
| Matala | 700 m³ /h | ||
| Ulkoinen staattinen paine | (Erittäin korkea) | 105 Pa | |
| Korkea | 80 Pa | ||
| Matala | 75 Pa | ||
| Äänenpainetaso*2 | (Erittäin korkea) | 40.5 dB* | |
| Korkea | 39.5 dB* | ||
| Matala | 36.5 dB* | ||
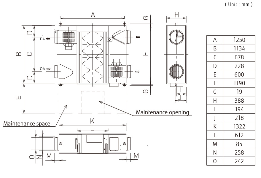
| Nettomitat | Korkeus | 1322 mm | |
| Leveys | 1134 mm | ||
| Syvyys | 388 mm | ||
| Nettopaino | 83 kg | ||
| Lähtökanavan halkaisija | 250 mm | ||
| Toiminta-alue | -10 kohteeseen 40 °C | ||
| Enimmäiskosteus | 85 % | ||
Scroll
- *
- Äänitaso on mitattava 1,5 m yksikön keskikohdan alapuolelta.
Mitat
Energiaa talteen ottava tuuletin : UTZ-BD100C
