Energy Recovery Ventilator UTZ-BD025C
Features
- Energy efficiency and ecology
- Quiet operation
- Extended range of external static pressure
- Slim design for easier installation
- Reverse-mountable direct air supply and exhaust system
Specifications
| Rated Airflow Rate | 250 m³ /h | ||
|---|---|---|---|
| Power Source | 220 - 240 V | ||
| 50 Hz | |||
| Heat Exchange Ventilation | Input Power | (Extra High) | 128 W |
| High | 123 W | ||
| Low | 96 W | ||
| Airflow Rate | (Extra High) | 250 m³ /h | |
| High | 250 m³ /h | ||
| Low | 190 m³ /h | ||
| External Static Pressure | (Extra High) | 105 Pa | |
| High | 95 Pa | ||
| Low | 45 Pa | ||
| Temperature Exchange Efficiency | (Extra High) | 75 % | |
| High | 75 % | ||
| Low | 77 % | ||
| Energy Exchange Efficiency Cooling | (Extra High) | 63 % | |
| High | 63 % | ||
| Low | 65 % | ||
| Energy Exchange Efficiency Heat Pump | (Extra High) | 70 % | |
| High | 70 % | ||
| Low | 72 % | ||
| Sound Pressure Level*2 | (Extra High) | 31.5 dB* | |
| High | 30.5 dB* | ||
| Low | 26.5 dB* | ||
| Normal Ventilation | Input Power | (Extra High) | 128 W |
| High | 123 W | ||
| Low | 96 W | ||
| Airflow Rate | (Extra High) | 250 m³ /h | |
| High | 250 m³ /h | ||
| Low | 190 m³ /h | ||
| External Static Pressure | (Extra High) | 105 Pa | |
| High | 95 Pa | ||
| Low | 45 Pa | ||
| Sound Pressure Level*2 | (Extra High) | 31.5 dB* | |
| High | 30.5 dB* | ||
| Low | 26.5 dB* | ||
| Net Dimensions | Height | 882 mm | |
| Width | 599 mm | ||
| Depth | 270 mm | ||
| Net Weight | 29 kg | ||
| Outlet Duct Diameter | 150 mm | ||
| Operation Range | -10 to 40 °C | ||
| Max. Humidity | 85 % | ||
Scroll
- *
- Noise level measured 1.5 m below the center of unit
- *2.
- The noise value is the value when measured in an anechoic room. When measured in the actual installed state,surrounding noise and reflections are received and the measured value is usually larger than the indicated value.
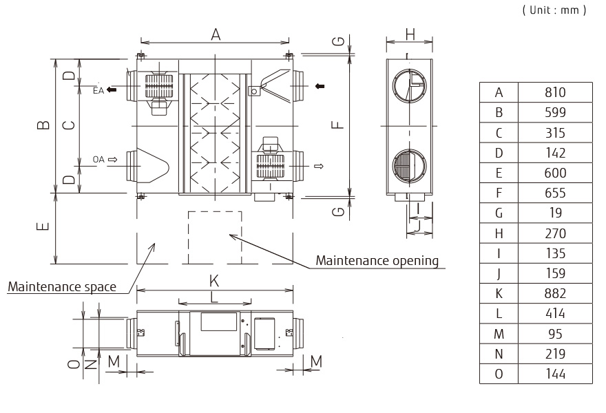
Dimensions
Energy Recovery Ventilator : UTZ-BD025C
