Energy Recovery Ventilator UTZ-BD050C
Features
- Energy efficiency and ecology
- Quiet operation
- Extended range of external static pressure
- Slim design for easier installation
- Reverse-mountable direct air supply and exhaust system
Specifications
| Rated Airflow Rate | 500 m³ /h | ||
|---|---|---|---|
| Power Source | 220 - 240 V | ||
| 50 Hz | |||
| Heat Exchange Ventilation | Input Power | (Extra High) | 289 W |
| High | 225 W | ||
| Low | 185 W | ||
| Airflow Rate | (Extra High) | 500 m³ /h | |
| High | 500 m³ /h | ||
| Low | 440 m³ /h | ||
| External Static Pressure | (Extra High) | 120 Pa | |
| High | 60 Pa | ||
| Low | 35 Pa | ||
| Temperature Exchange Efficiency | (Extra High) | 75 % | |
| High | 75 % | ||
| Low | 76 % | ||
| Energy Exchange Efficiency Cooling | (Extra High) | 62 % | |
| High | 62 % | ||
| Low | 64 % | ||
| Energy Exchange Efficiency Heat Pump | (Extra High) | 67 % | |
| High | 67 % | ||
| Low | 69 % | ||
| Sound Pressure Level*2 | (Extra High) | 37.5 dB* | |
| High | 35.5 dB* | ||
| Low | 32.5 dB* | ||
| Normal Ventilation | Input Power | (Extra High) | 289 W |
| High | 225 W | ||
| Low | 185 W | ||
| Airflow Rate | (Extra High) | 500 m³ /h | |
| High | 500 m³ /h | ||
| Low | 440 m³ /h | ||
| External Static Pressure | (Extra High) | 120 Pa | |
| High | 60 Pa | ||
| Low | 35 Pa | ||
| Sound Pressure Level*2 | (Extra High) | 38.5 dB* | |
| High | 38 dB* | ||
| Low | 32.5 dB* | ||
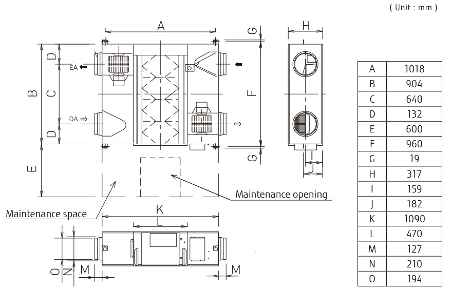
| Net Dimensions | Height | 1090 mm | |
| Width | 904 mm | ||
| Depth | 317 mm | ||
| Net Weight | 57 kg | ||
| Outlet Duct Diameter | 200 mm | ||
| Operation Range | -10 to 40 °C | ||
| Max. Humidity | 85 % | ||
Scroll
- *
- The noise level must be measured 1.5 m below the centre of the unit.
Dimensions
Energy Recovery Ventilator : UTZ-BD050C
