Energy Recovery Ventilator UTZ-BD080C
Features
- Energy efficiency and ecology
- Quiet operation
- Extended range of external static pressure
- Slim design for easier installation
- Reverse-mountable direct air supply and exhaust system
Specifications
| Rated Airflow Rate | 800 m³ /h | ||
|---|---|---|---|
| Power Source | 220 - 240 V | ||
| 50 Hz | |||
| Heat Exchange Ventilation | Input Power | (Extra High) | 418 W |
| High | 378 W | ||
| Low | 295 W | ||
| Airflow Rate | (Extra High) | 800 m³ /h | |
| High | 800 m³ /h | ||
| Low | 630 m³ /h | ||
| External Static Pressure | (Extra High) | 140 Pa | |
| High | 110 Pa | ||
| Low | 55 Pa | ||
| Temperature Exchange Efficiency | (Extra High) | 75 % | |
| High | 75 % | ||
| Low | 76 % | ||
| Energy Exchange Efficiency Cooling | (Extra High) | 65 % | |
| High | 65 % | ||
| Low | 68 % | ||
| Energy Exchange Efficiency Heat Pump | (Extra High) | 71 % | |
| High | 71 % | ||
| Low | 74 % | ||
| Sound Pressure Level*2 | (Extra High) | 37.5 dB* | |
| High | 37 dB* | ||
| Low | 34.5 dB* | ||
| Normal Ventilation | Input Power | (Extra High) | 418 W |
| High | 378 W | ||
| Low | 295 W | ||
| Airflow Rate | (Extra High) | 800 m³ /h | |
| High | 800 m³ /h | ||
| Low | 630 m³ /h | ||
| External Static Pressure | (Extra High) | 140 Pa | |
| High | 110 Pa | ||
| Low | 55 Pa | ||
| Sound Pressure Level*2 | (Extra High) | 37.5 dB* | |
| High | 37 dB* | ||
| Low | 34.5 dB* | ||
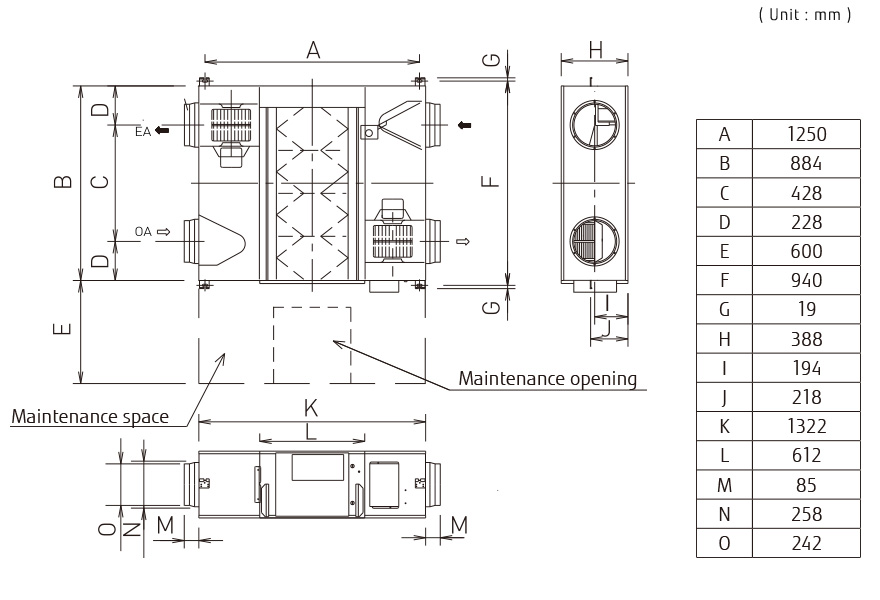
| Net Dimensions | Height | 1322 mm | |
| Width | 884 mm | ||
| Depth | 388 mm | ||
| Net Weight | 71 kg | ||
| Outlet Duct Diameter | 250 mm | ||
| Operation Range | -10 to 40 °C | ||
| Max. Humidity | 85 % | ||
Scroll
- *
- The noise level must be measured 1.5 m below the centre of the unit.
Dimensions
Energy Recovery Ventilator : UTZ-BD080C
