インバーター冷暖房エアコン 「ノクリア」 RHシリーズ AS-RH282M
仕様
- 電源 :
単相 100V
- コンセント :
平行型
| 冷房 | 畳数の目安 | 8~12畳(13~19m²) |
|---|---|---|
| 能力 | 2.8kW(0.8~3.4kW) | |
| 消費電力 | 770W(140~940W) | |
| 暖房 | 畳数の目安 | 8~10畳(13~16m²) |
| 能力 | 3.6kW(0.8~5.0kW) | |
| 消費電力 | 845W(120~1,415W) |
外気温2℃時 暖房能力 3.6kW
| 外形寸法 | 室内機 | 高さ | 250mm |
|---|---|---|---|
| 幅 | 728mm | ||
| 奥行 | 315mm | ||
| 質量 | 11.0kg | ||
| 室外機 | 高さ | 541mm | |
| 幅 | 663mm※ | ||
| 奥行 | 290mm※ | ||
| 質量 | 23kg |
- ※
- 室外機の外形寸法はバルブカバーや固定脚を除いた寸法です。バルブカバーや固定脚を含めた寸法は、据付スペース図をご確認ください。
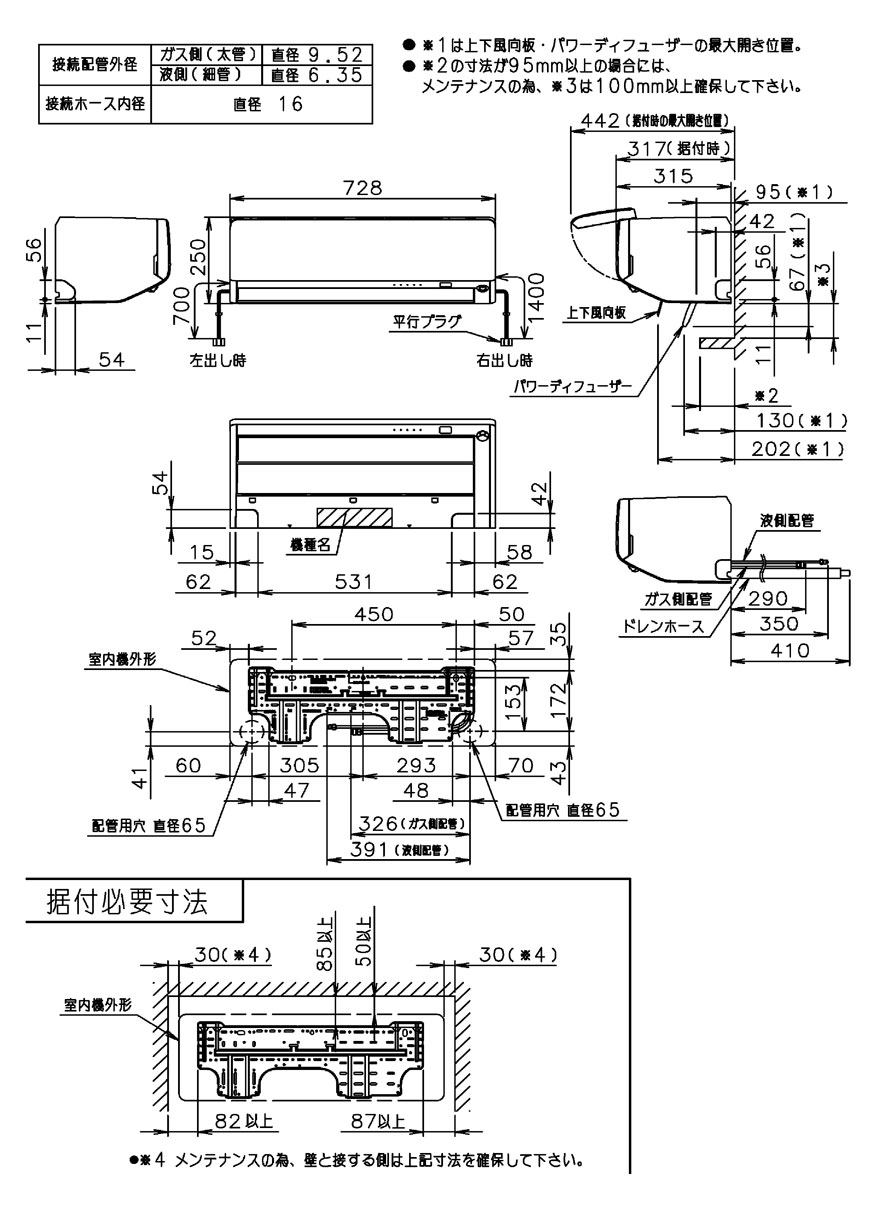
寸法
室内機 : AS-RH282M

室外機 : AO-RH282M

- 注1 熱交換器加熱除菌:
- AS-RH222Mにおいて。
- [試験方法]外気27℃、湿度78%の試験室(約6畳)において。加熱除菌運転前と後との比較。10分間で細菌 99%以上、カビ菌 99%以上の減少を確認(細菌一種、カビ菌一種で評価)
- [試験機関名](一財)北里環境科学センター
- [報告書No.]北生発2018_0281号、北生発2018_0230号。
- 熱交換器の一部の菌液を回収し評価。動作環境によって効果が低下する場合があります。
- 加熱除菌運転中は室温が上昇することがあります。お部屋に人がいない時のご使用をおすすめします。本機能はニオイや汚れを除去する機能ではありません。
- ・
- オープン価格の商品は希望小売価格を定めておりません。
- ・
- 製品の色はモニター表示ですので、実際の商品の色とは若干異なる場合があります。お買い求めの際は店頭でお確かめください。
- ・
- ※※=このマークは、特定化学物質に関する「環境配慮情報」の識別マークです。
- ※
- 「nocria」は株式会社ゼネラルの世界的な商標です。
- ※
- 「ダブルAI」「I-PAM」「あったかアップ」「ゴク暖」「オーダーメイド快適」「DUAL BLASTER」「デュアルブラスター」「nocria」「ノクリア」「ハイブリッド気流」「パワーディフューザー」「不在ECO」「さらさら冷房」「ひかえめ」「ウイルカット・フィルター」「ハイドロフィリック熱交換器」は、株式会社ゼネラルの商標または登録商標です。
- ※
- 記載されている各種名称、会社名、商品名などは各社の商標もしくは登録商標です。
- ※
- 本ページおよび動画に記載されているシステム名、製品名等には、必ずしも(®、™)を付記していません。
- ※
- 本ページ内にある掲載画像および動画で使用しているエアコンは、実際と異なる場合があります。
- ※
- 掲載画像はすべてイメージです。



