暖房強化型エアコン 「ゴク暖ノクリア」 DNシリーズ AS-DN284R2
仕様
- 電源 :
単相 200V
- コンセント :
タンデム型
JIS C 9612:2013
|
期間消費 電力量 |
|---|
| 854kWh |
| 冷房 | 畳数の目安 | 8~12畳(13~19m²) |
|---|---|---|
| 能力 | 2.8kW(0.7~3.6kW) | |
| 消費電力 | 620W(140~940W) | |
| 暖房 | 畳数の目安 | 8~10畳(13~16m²) |
| 能力 | 3.6kW(0.7~8.8kW) | |
| 消費電力 | 750W(120~2,905W) |
外気温2℃時 暖房能力 6.4kW
外気温-7℃時 暖房能力 4.8kW
外気温-15℃時 暖房能力 4.7kW
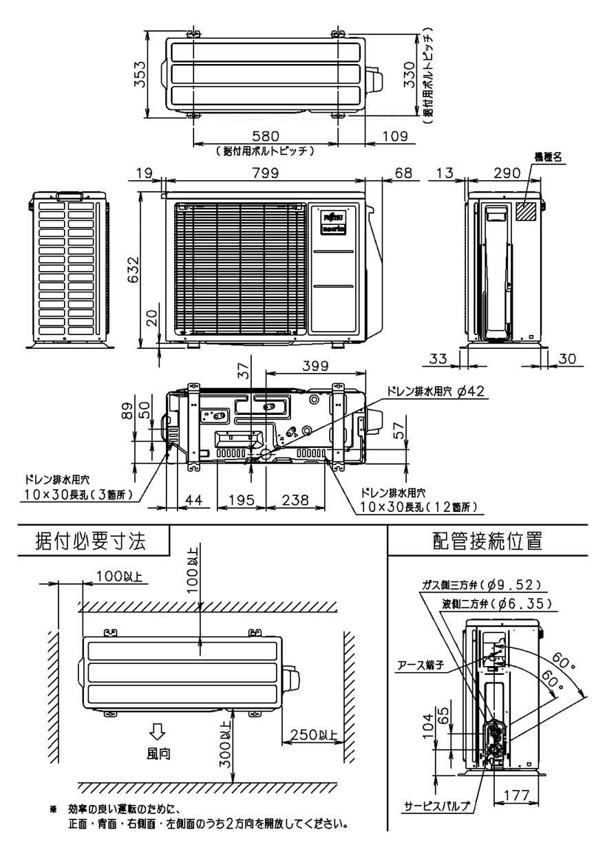
| 外形寸法 | 室内機 | 高さ | 250mm |
|---|---|---|---|
| 幅 | 777mm | ||
| 奥行 | 319mm | ||
| 質量 | 12.5kg | ||
| 室外機 | 高さ | 632mm | |
| 幅 | 799mm※ | ||
| 奥行 | 290mm※ | ||
| 質量 | 36kg |
- ※
- 室外機の外形寸法はバルブカバーや固定脚を除いた寸法です。バルブカバーや固定脚を含めた寸法は、据付スペース図をご確認ください。
寸法
室内機 : AS-DN284R2W
室外機 : AO-DN284R2

- 注1 最高55°C:
- AS-DN404R2において。当社環境試験室(14畳)、外気温-15℃、設定温度30℃、室温到達時、設定風量 強風、あったかアップ機能設定時。約10分間吹き出し口付近の最高温度を確認。風量は暖房定格に対して約40%低下。ハイパワー運転併用時は暖房定格に対して約25%低下。設置環境、使用状況により、55℃にならない場合があります。AS-DN224R、AS-DN254R、AS-DN284R2は、外気温2℃時。
- 注2 ホットキープ&クイック除霜:
- 使用環境によって霜取り運転の時間、室温低下、またあらかじめ上げておく温度の度合いは異なります。使用環境によっては、温度を上げられない場合や、除霜時間が短くならない場合があります。
- 注3 熱交換器加熱除菌:
- AS-DN224Rにおいて。
- [試験方法]外気27℃、湿度78%の試験室(約6畳)において。加熱除菌運転前と後との比較。10分間で細菌 99%以上、カビ菌 99%以上の減少を確認(細菌一種、カビ菌一種で評価)
- [試験機関名](一財)北里環境科学センター
- [報告書No.]北生発2017_0410号。
- 熱交換器の一部の菌液を回収し評価。動作環境によって効果が低下する場合があります。
- 加熱除菌運転中は室温が上昇することがあります。お部屋に人がいない時のご使用をおすすめします。本機能はニオイや汚れを除去する機能ではありません。
- ・
- オープン価格の商品は希望小売価格を定めておりません。
- ・
- 製品の色はモニター表示ですので、実際の商品の色とは若干異なる場合があります。お買い求めの際は店頭でお確かめください。
- ・
- ※※=このマークは、特定化学物質に関する「環境配慮情報」の識別マークです。
- ※
- 「nocria」は株式会社ゼネラルの世界的な商標です。
- ※
- 「ダブルAI」「I-PAM」「あったかアップ」「ゴク暖」「DUAL BLASTER」「デュアルブラスター」「nocria」「ノクリア」「ハイブリッド気流」「パワーディフューザー」「不在ECO」「さらさら冷房」「ひかえめ」「ウイルカット・フィルター」「ハイドロフィリック熱交換器」は、株式会社ゼネラルの商標または登録商標です。
- ※
- 記載されている各種名称、会社名、商品名などは各社の商標もしくは登録商標です。
- ※
- 本ページおよび動画に記載されているシステム名、製品名等には、必ずしも(®、™)を付記していません。
- ※
- 本ページ内にある掲載画像および動画で使用しているエアコンは、実際と異なる場合があります。
- ※
- 掲載画像はすべてイメージです。



